Mandaci una email
Prodotti
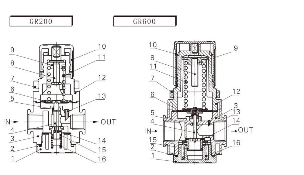
Regolatore di pressione Airtac tipo GR
  • Regolatore di pressione Airtac tipo GRRegolatore di pressione Airtac tipo GR

Regolatore di pressione Airtac tipo GR

Puoi essere certo di acquistare il regolatore di pressione Airtac tipo GR dalla nostra fabbrica e ti offriremo il miglior servizio post-vendita e consegne puntuali.

Il regolatore di pressione Airtac tipo GR fornisce un controllo della pressione stabile e preciso per i sistemi pneumatici. Regolatore pneumatico OLK GR con struttura durevole e facile regolazione, garantisce prestazioni affidabili in apparecchiature di automazione, utensili pneumatici, compressori e applicazioni industriali generali. Compatibile con filtri, lubrificatori e unità FRL.

Regolatore di pressione Airtac tipo GR Caratteristiche del prodotto:

·Il manometro quadrato incorporato consente di risparmiare spazio di installazione (manometro rotondo esterno opzionale).

·Il design bloccabile impedisce la regolazione accidentale della pressione causata da forze esterne.

·Il manometro quadrato incorporato consente di risparmiare spazio di installazione (manometro rotondo esterno opzionale).

·Può essere installato a pannello o con una staffa di montaggio opzionale.

·Oltre al modello standard, è disponibile anche il modello a bassa pressione (pressione massima regolabile: 0,4 MPa)


Simbolo del regolatore di pressione GR:

Codice d'ordinazione

GR200

--

08

Modello:

 

Dimensione della porta:

Regolatore di pressione serie GR200

 

06:PT:1/8

Regolatore di pressione serie GR300

 

08:PT1/4

Regolatore di pressione serie GR600

 

10:PT3/8

Regolatore di pressione serie GR600

 

15:PT1/2

 

 

20:PT3/4

 

 

25:PT1


Modello

GR200-06

GR200-08

GR300-08

GR400-10

GR200-08

GR400-10

GR400-15

GR600-20

GR600-25

Mezzo di lavoro

ARIA

Dimensione della porta

PT1/8

PT1/4

PT1/4

PT3/8

PT1/2

PT3/8

PT1/2

PT3/4

PT1

Intervallo di pressione operativa

0,05-0,9 MPa (20-130 psi)

Intervallo di pressione di esercizio

1,5 MPa (215 PSI)

TEM.

-20--70℃

Peso

160 g

350 g

720 g

1700 g


Come regolare il regolatore di pressione Airtac tipo GR

Sul tappo di regolazione è presente una scala di pressione. Quando viene fornita aria, sollevare la manopola e ruotarla in senso orario verso il segno "+" per aumentare la pressione. Dopo la regolazione, premere la manopola verso il basso per bloccarla.


GR significa regolatore dell'aria della serie GR.

Passaggio 2: ruotarlo in senso orario per aumentare la pressione.

Passaggio 3: premere la manopola verso il basso per bloccarla dopo la regolazione.


Avviso: prestare attenzione alla freccia che indica la direzione del flusso d'aria durante il collegamento. Il collegamento di ingresso invertito può causare perdite d'aria.




Domande frequenti:

GR200

GR significa regolatore dell'aria della serie GR.


Cosa significa GFC?

GFC=GFR+GL  (Filtro regolatore + Lubrificatore)


Cosa significa GC?

GC=GF+GR+GL (Filtro + Regolatore pneumatico + Lubrificatore)



Tag caldi: Regolatore di pressione Airtac tipo GR, Cina, produttore, fornitore, fabbrica
Invia richiesta
Informazioni di contatto
Benvenuti sul nostro sito web! Per domande sui nostri prodotti o sul listino prezzi, lasciaci la tua email e ti contatteremo entro 24 ore.
E-mail
cici@olkptc.com
Mobile
+86-13736765213
Indirizzo
Zhengtai Road, zona industriale di Xinguang, Liushi, Yueqing, Wenzhou, Zhejiang, Cina.
X
Utilizziamo i cookie per offrirti una migliore esperienza di navigazione, analizzare il traffico del sito e personalizzare i contenuti. Utilizzando questo sito, accetti il ​​nostro utilizzo dei cookie. politica sulla riservatezza
Rifiutare Accettare