Mandaci una email
Prodotti
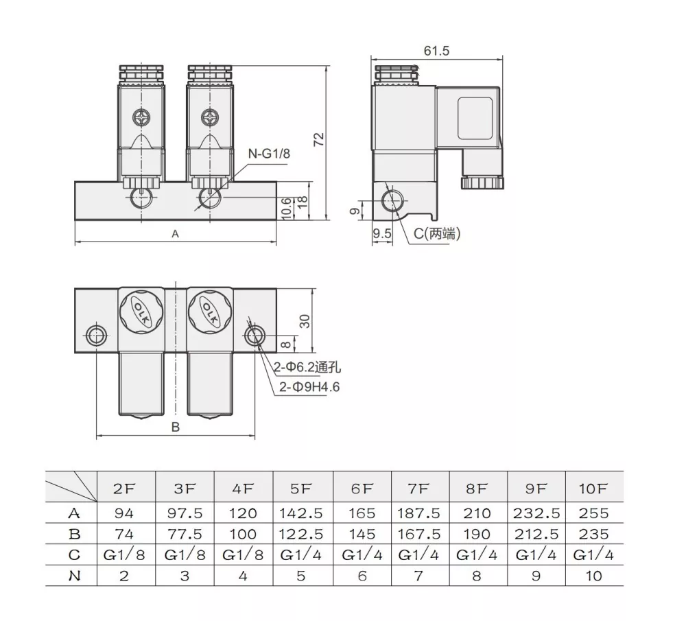
Collettore elettrovalvola 2V025
  • Collettore elettrovalvola 2V025Collettore elettrovalvola 2V025
  • Collettore elettrovalvola 2V025Collettore elettrovalvola 2V025

Collettore elettrovalvola 2V025

L'elettrovalvola a due posizioni, bidirezionale, normalmente chiusa, ad azione diretta, 2V025 può essere collegata per formare una base valvola a seconda delle esigenze applicative, con espansione flessibile da 2 a 12 posizioni. Questo collettore con elettrovalvola multistazione 2V025 presenta un design compatto e leggero ma non può essere smontato per uso individuale. Il corpo della valvola è realizzato in lega di alluminio di alta qualità e utilizza materiale di tenuta NBR.

A seconda delle direzioni di aspirazione e scarico, il collettore dell'elettrovalvola 2V025 può essere suddiviso in tipi a pressione positiva con un ingresso e uscite multiple e tipi a pressione negativa con ingressi multipli e un'uscita. La pressione negativa può essere applicata nelle pompe per vuoto. Poiché la pressione positiva e quella negativa operano in direzioni opposte, consultare il team di vendita OLK prima di effettuare un ordine

Collettore elettrovalvola 2V025 Dati parametri generali:

Azione

azione diretta

numero di posizioni

2 posizioni 2 vie

Stato iniziale

NO, NC

lubrificante

inutile

Intervallo di pressione di esercizio MPa(psi)

0~0,8Mpa(0~114psi)

Resistenza alla pressione garantita

1,5 MPa (215 psi)

Voltaggio standard

AC220V, AC110V, AC24V, DC24V, DC12V

Utilizzare l'intervallo di tensione

CA:±15%CC:±10%

consumo di energia

CA: 6 V CC: 6 W

livello di protezione

IP65 (DIN40050)

grado di resistenza al calore

Classe B

Tipo di connessione

Tipo di presa DIN, tipo di presa

Tempo di eccitazione

0,05 secondi o meno

Corpo valvola

Lega di alluminio

Domande frequenti:

Qual è la differenza tra 2V025-06 e 2V025-08?

La differenza tra 2V025-06 e 2V025-08 è il diametro della porta. 06 = G1/8 e 08 = G1/4


È possibile combinare 2V025 insieme per formare una valvola collettore?

Fino a 10 elettrovalvole 2V025 possono formare una valvola collettore.


Per quali scenari è adatta la valvola a 2 vie 2V025?

La valvola bidirezionale 2V025 a due vie è adatta per scenari di lavoro di soffiaggio, ma non è adatta per cilindri pneumatici perché non è presente un'apertura di scarico.


L'elettrovalvola 2V025 può essere utilizzata in un ambiente a pressione negativa?

Certo, l'elettrovalvola 2V025 con ingressi d'aria multipli e un'uscita è adatta per l'uso con la pompa a vuoto.


La valvola di controllo del fluido 2V025 a 2 vie è normalmente aperta?

SÌ, 2V025-06-NO: Ingresso: G1/8, Uscita: M5

2V025-08-NO: Ingresso: G1/4, Uscita: M5

Collettore per elettrovalvola a 2 vie 2V025 Accessori per giunti abbinati


Tag caldi: Collettore elettrovalvola 2V025, Cina, produttore, fornitore, fabbrica
Invia richiesta
Informazioni di contatto
Benvenuti sul nostro sito web! Per domande sui nostri prodotti o sul listino prezzi, lasciaci la tua email e ti contatteremo entro 24 ore.
E-mail
cici@olkptc.com
Mobile
+86-13736765213
Indirizzo
Zhengtai Road, zona industriale di Xinguang, Liushi, Yueqing, Wenzhou, Zhejiang, Cina.
X
Utilizziamo i cookie per offrirti una migliore esperienza di navigazione, analizzare il traffico del sito e personalizzare i contenuti. Utilizzando questo sito, accetti il ​​nostro utilizzo dei cookie. politica sulla riservatezza
Rifiutare Accettare