Mandaci una email
Prodotti
Valvola a levetta pneumatica TAC
  • Valvola a levetta pneumatica TACValvola a levetta pneumatica TAC

Valvola a levetta pneumatica TAC

In qualità di produttore professionale, OLK vorrebbe fornirti la valvola a levetta pneumatica TAC. E OLK ti offrirà il miglior servizio post-vendita e consegne puntuali.

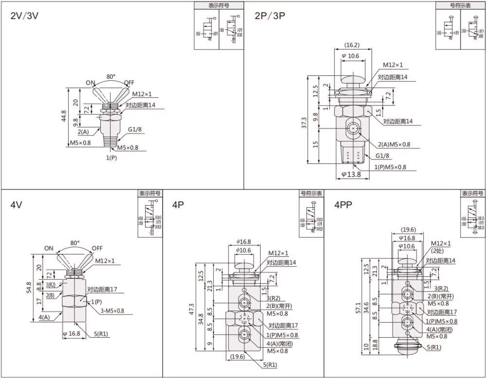
La valvola a levetta pneumatica TAC (nota anche come valvola di commutazione) è un componente di commutazione di precisione appositamente progettato per sistemi pneumatici e controllo dei fluidi. Grazie alla sua esclusiva struttura di controllo a levetta, consente una commutazione rapida e un controllo preciso dei percorsi del fluido.

È possibile scegliere la valvola a levetta della serie TAC con 2 posizioni a 2 vie, 2 posizioni a 3 vie e 2 posizioni a 5 vie. Vari tipi di leva e due tipi di filettatura: M5, G1/8.

Scenari applicativi

Apparecchiature per l'automazione industriale, lavorazioni meccaniche, lavorazione di materiali da costruzione, energia e miniere, industria alimentare e delle bevande, apparecchiature mediche, ecc.

Caratteristiche del prodotto

È di piccole dimensioni, richiede poco spazio di installazione ed è intuitivo da utilizzare manualmente, rendendolo adatto a scenari che richiedono cambi frequenti.

TAC  simbolo e contorno della valvola di attivazione/disattivazione

Codice di ordinazione

TAC

2

__

2

P

 

 

 

 

 

Valvola a levetta serie TAC

 

 

2:2posizione 2 vie(M5)

P: Tipo di pulsante push-pull

 

 

 

Posizione 3:2 a 3 vie (M5)

V: tipo con leva manuale

 

 

 

Posizione 4:2 a 5 vie (M5)

PP: doppio pulsante push-pull

 

 

 

Posizione 31:2 a 3 vie (G1/8)

 

 

 

 

Posizione 41:2 a 5 vie (G1/8)

 

 

Modello

Dimensione della porta

 

Numero
di posizione

Efficace  
area della sezione trasversale

Intervallo di pressione

Fluido di lavoro

Ambiente
Temperatura

 

TAC-2V

Ingresso=Uscita=M5   

2 posizioni 2 vie

1,9 mm²

0,05 ~ 0,9 PPA

Aria

0~60

TAC-2P

Ingresso=Uscita=M5   

2 posizioni 2 vie

1,9 mm²

Tac-3V

Ingresso=Uscita=M5   

2 posizioni 3 vie

1,9 mm²

Tac-3p

Ingresso=Uscita=M5   

2 posizioni 3 vie

1,9 mm²

Tac-4V

Ingresso=Uscita=M5   

2 posizioni 5 vie

1,9 mm²

TAC-4P

Ingresso=Uscita=M5   

2 posizioni 5 vie

1,9 mm²

4PP

G1/8

 

2 posizioni 5 vie

4,5 mm²

TAC2-31V

Ingresso=Uscita=Scarico=G1/8   

2 posizioni 3 vie

4,5 mm²

TAC2-31P

Ingresso=Uscita=Scarico=G1/8   

2 posizioni 3 vie

4,5 mm²

TAC2-41V

Ingresso=Uscita=G1/8   Scarico=M5

2 posizioni 5 vie

4,5 mm²

TAC2-41P

Ingresso=Uscita=G1/8   Scarico=M5

2 posizioni 5 vie

4,5 mm²

TAC2-41PP

Ingresso=Uscita=G1/8   Scarico=M5

2 posizioni 5 vie

4,5 mm²

Domande frequenti:

Qual è la differenza tra valvola a levetta e valvola meccanica?

È possibile distinguere la valvola a levetta e la valvola meccanica in base al tipo di controllo: la valvola a levetta è del tipo con leva a spillo, la valvola meccanica è del tipo a pulsante push-pull o del tipo a rullo

 

Qual è la differenza tra la valvola a levetta e le altre valvole?

Controllo preciso: le valvole a levetta ottengono una regolazione precisa del flusso attraverso un nucleo conico della valvola, adatto per un controllo preciso in tubazioni di piccolo diametro, mentre le valvole a sfera sono più adatte per operazioni di apertura e chiusura rapide.

Tag caldi: Valvola a levetta pneumatica TAC, Cina, produttore, fornitore, fabbrica
Invia richiesta
Informazioni di contatto
Benvenuti sul nostro sito web! Per domande sui nostri prodotti o sul listino prezzi, lasciaci la tua email e ti contatteremo entro 24 ore.
E-mail
cici@olkptc.com
Mobile
+86-13736765213
Indirizzo
Zhengtai Road, zona industriale di Xinguang, Liushi, Yueqing, Wenzhou, Zhejiang, Cina.
X
Utilizziamo i cookie per offrirti una migliore esperienza di navigazione, analizzare il traffico del sito e personalizzare i contenuti. Utilizzando questo sito, accetti il ​​nostro utilizzo dei cookie. politica sulla riservatezza
Rifiutare Accettare